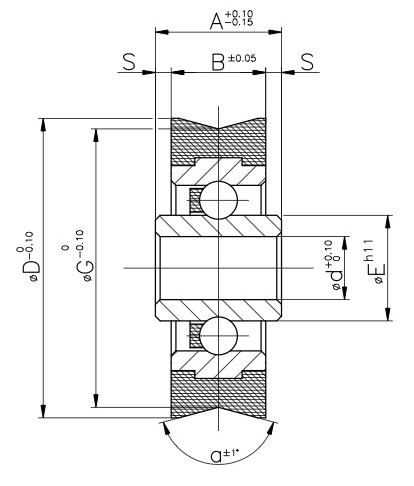
CARATTERISTICHE TECNICHE Inserto metallico anello esterno ed anello interno: acciaio UNI 4838 CF9SMnPb36 carbonitrurato durezza 55-58 HRc Sfere: acciaio C75 bonificato dur. 62-64 HRc Materiale termoplastico di rivestimento: PA 6 con 30 % fibra vetro Gabbia divisione...
CARATTERISTICHE TECNICHE Inserto metallico anello esterno ed anello interno: acciaio UNI 4838 CF9SMnPb36 carbonitrurato durezza 55-58 HRc Sfere: acciaio C75 bonificato dur. 62-64 HRc Materiale termoplastico di rivestimento: PA 6 o POM Gabbia divisione sfere a scatto:...
CARATTERISTICHE TECNICHE Inserto metallico anello esterno ed anello interno: acciaio UNI 4838 CF9SMnPb36 carbonitrurato durezza 55-58 HRc Sfere: acciaio C75 bonificato dur. 62-64 HRc Materiale termoplastico di rivestimento: PA 6 o POM Gabbia divisione sfere a scatto:...
CARATTERISTICHE TECNICHE Inserto metallico anello esterno ed anello interno: acciaio UNI 4838 CF9SMnPb36 carbonitrurato durezza 55-58 HRc Sfere: acciaio C75 bonificato dur. 62-64 HRc Materiale termoplastico di rivestimento: PA 6 con 30 % fibra vetro Gabbia divisione...
CARATTERISTICHE TECNICHE Inserto metallico anello esterno ed anello interno: acciaio UNI 4838 CF9SMnPb36 carbonitrurato durezza 55-58 HRc Sfere: acciaio C75 bonificato dur. 62-64 HRc Materiale termoplastico di rivestimento: PA 6 con 30 % fibra vetro Gabbia divisione...
CARATTERISTICHE TECNICHE Inserto metallico anello esterno ed anello interno: acciaio UNI 4838 CF9SMnPb36 carbonitrurato durezza 55-58 HRc Sfere: acciaio C75 bonificato dur. 62-64 HRc Materiale termoplastico di rivestimento: PA 6 o POM Gabbia divisione sfere a scatto:...